2.54mm Box Header ak Post Connector
Pwodwi BHDS07-XXXXXX Atribi Kapasite Apwovizyonman ak Enfòmasyon AdisyonèlAnbalaj ak Livrezon
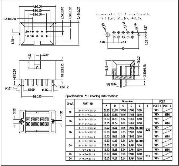
Dekri teren
Atribi pwodwi
Modèl No.: BHDS 07-XXXXXX Mak: ANTENKInterface Kalite: AC/DCHousing: PlasticPin: BrassPoles: OtherApplication: OtherCertification: OtherGender: MaleMaterial: BrassSupport Nimewo Kat: OtherOperating Frequency: High FrequencyClassification: Other
Kapasite Pwovizyon pou ak Enfòmasyon Adisyonèl
Anbalaj: anbalaj sak, anbalaj tib, anbalaj bobin Pwodiksyon: 100000K / mwa Transpò: Oseyan, AirPlace orijin: ChinaSupply Kapasite: 100000K / mwaSètifika: ISO9001HS Kòd: 8536909000Payment Kalite: T/WESTTER, F.C.
Anbalaj ak livrezon
Inite vann:
Sak/Sak
Kalite pake:
anbalaj sak, anbalaj tib, anbalaj bobin
Shenzhen Antenk Elektwonik co, Ltd te lanse yon 2.54mm Box Header 180 degre H =10.52mm ak Post Elektwonik, Bèf la senp anjeneral konpoze de yon priz plastik kare ak yon kantite zegwi kare ranje nètman. Diferans ki genyen ant konektè a bèf senp ak konektè a kòn se ke kòn nan senp retire bouk yo sou tou de bò.

K: Ki sa ki tèm ou nan livrezon an?
A: tèm livrezon òdinè nou an se FOB Xiamen. Nou aksepte tou EXW, CFR, CIF, DDP, DDU elatriye. Nou pral ofri w frè anbake epi ou ka chwazi youn nan ki pi pratik ak efikas pou ou.
K: Ki sa ki nan sèvis apre-sale ou a?
A: peryòd garanti bon jan kalite nou an se yon ane. Nenpòt pwoblèm kalite yo pral rezoud nan satisfaksyon kliyan.




Voye rechèch
Ou ka renmen tou










